凯时尊龙|人生就是博(首页)
尊龙凯时
EN
股票代码
688103
网站首页
关于国力
产品中心
技术支持
新闻动态
采购声明
投资者关系
联系国力
真空电容器
真空电容器产品列表
固定真空电容器产品列表
可变真空电容器产品列表
直流接触器
直流接触器产品列表
直流接触器总产品列表
交流接触器
交流接触器产品列表
R系列交流真空接触器
CKJ11系列
CV、CHV系列
CKJ5系列
7.2kv系列
12kv系列
断路器产品列表
换向开关产品列表
高压继电器
高压继电器产品列表
继电器产品总表
真空继电器
干簧继电器
充气继电器
单刀单掷继电器
单刀双掷继电器
双刀双掷继电器
磁保持高压继电器
高压继电器对照表
国力与Jennings型号对照表
国力与JPK型号对照表
国力与Crydom型号对照表
国力与Kilovac型号对照表
真空灭弧室(真空开关管)
接触器用真空灭弧室(开关管)
断路器用真空灭弧室(开关管)
负荷开关用真空灭弧室(开关管)
固封极柱
氢闸流管
氢闸流管产品列表
磁控管
脉冲磁控管 GLM5193
连续波磁控管 GDCWM-75LJ
射频同轴继电器
射频同轴继电器列表
速调管
速调管GD8262
固定真空电容器产品列表
您现在的位置:
首页
>>
产品介绍
>>
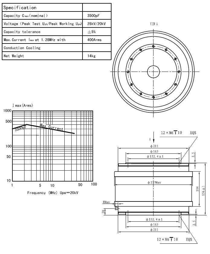
固定真空电容器CKT3500/20/400
产品名称:
固定真空电容器CKT3500/20/400
产品型号:
CKT3500/20/400
CKT3500/20/400固定陶瓷高压真空电容器采用陶瓷外壳、真空介质、具有耐压高、体积小、Q值高、性能稳定可靠价格低廉等特点,广泛用于感应加热、介质加热、通讯、广播等设备。
固定真空电容器CKT3500/20/400 下载
产品详细内容介绍
CKT3500/20/400产品介绍
注:所列参数均为典型产品规格,仅供选型参考.如有更新,恕不另行通知。需要更多技术支持,请与国力联系。
上一篇:
固定真空电容器CKT2500/20/400
下一篇:
固定真空电容器CKT4000/25/400
走进国力
公司动态
产品展示
服务中心
尊龙凯时
扫描进入官方微信
扫描进入国力智选
公司简介
企业文化
企业历程
资质认证
公司荣誉
公司新闻
行业新闻
真空电容器
直流接触器
交流接触器
高压继电器
真空灭弧室
磁控管系列
服务承诺
销售咨询
联系方式
人才招聘
公司地址:中国江苏省昆山市西湖路28号
总机热线:+86-0512-36872111
公司邮箱:
marketing
@glvac.cn(销售)
audit@glvac.cn(廉洁举报)
公司传真:+86-0512-36872122 / +86-0512-57777020
销售服务热线:400-9280-680
Copyright @ 2013-2024 尊龙凯时电子科技股份有限公司(glvac.cn) All Rights Reserved.
苏ICP备84439508