凯时尊龙|人生就是博(首页)尊龙凯时

股票代码
688103
固定真空电容器产品列表 您现在的位置:首页 >> 产品介绍 >> 固定真空电容器CKT130/10/70
固定真空电容器CKT130/10/70
产品名称:固定真空电容器CKT130/10/70
产品型号:CKT130/10/70
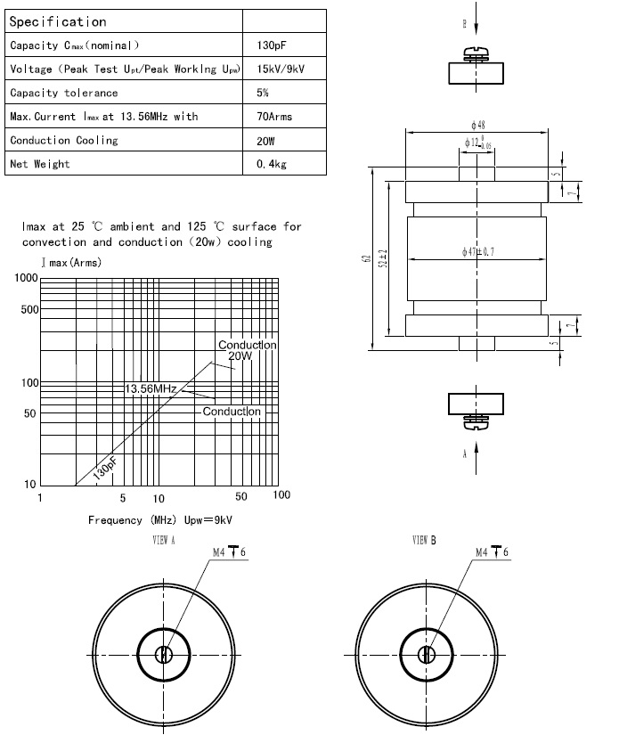
CKT130/10/70型固定陶瓷高压真空电容器采用陶瓷外壳、真空介质、具有耐压高、体积小、Q值高、性能稳定可靠价格低廉等特点,广泛用于感应加热、介质加热、通讯、广播等设备。
固定真空电容器CKT130/10/70  下载
产品详细内容介绍

CK130/10/70产品介绍

注:所列参数均为典型产品规格,仅供选型参考.如有更新,恕不另行通知。需要更多技术支持,请与国力联系。


上一篇: 固定真空电容器CKT120/7.5/71 下一篇: 固定真空电容器CKT130/3.5/35
走进国力 公司动态 产品展示 服务中心 尊龙凯时
扫描进入官方微信

扫描进入国力智选
公司简介
企业文化
企业历程
资质认证
公司荣誉
公司新闻
行业新闻
真空电容器
直流接触器
交流接触器
高压继电器
真空灭弧室
磁控管系列
服务承诺
销售咨询
联系方式
人才招聘
公司地址:中国江苏省昆山市西湖路28号
总机热线:+86-0512-36872111
公司邮箱:marketing@glvac.cn(销售)
     audit@glvac.cn(廉洁举报)
公司传真:+86-0512-36872122 / +86-0512-57777020
销售服务热线:400-9280-680
Copyright @ 2013-2024 尊龙凯时电子科技股份有限公司(glvac.cn) All Rights Reserved. 苏ICP备84439508